Окабеляване в частна къща - от диаграма до инсталация

Съвременният човешки живот абсолютно не може да бъде комфортен без електричество. Когато той отсъства, изглежда, че животът е спрял, тъй като всеки домакински уред или електрически инструмент изисква електрическа връзка. Понякога без електричество дори няма да е възможно да се готви храна, да не говорим за нормалното осветление на дома. Ето защо, ако мислите за строителство, тогава схемата на окабеляване в частна къща трябва да бъде приоритетен въпрос, на който трябва да се обърне специално внимание. Необходимо е да обмислите и изчислите всичко до най-малкия детайл, така че нито една най-малка грешка или неточност в полагането и свързването на електрическата мрежа да не доведе до повреда на домакински уреди в бъдеще или, още по-лошо, до пожар и пожар.
съдържание
Каква е необходимостта от схема?

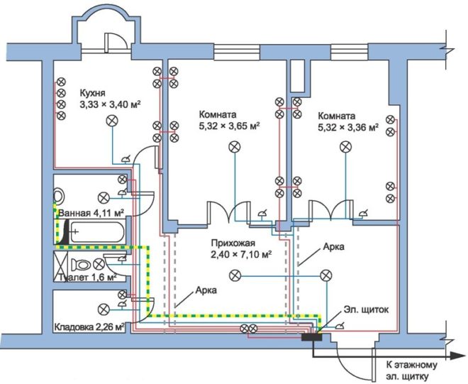
Диаграмата на свързване в частна къща е чертеж, върху който се прилагат всички основни блокове за захранване:
- Уводна линия, която се осъществява от клон от главния електропровод до самата къща.
- Местоположение на инсталацията на таблото.
- Защитни устройства и електромер.
- Места за монтаж на разклонителни кутии, ключове и контакти в помещения и помещения.
- Маршрути за свързване на електрически проводници от разклонителни кутии до комутационни устройства.
- Места на монтаж на елементи от осветителната мрежа (полилеи, бра, лампи).
По времето, когато правите електрическото окабеляване в къщата, препоръчително е вече ясно да определите къде ще бъдат разположени основните домакински уреди - хладилник, климатик, пералня, бойлер, съдомиялна машина. Това е необходимо, за да монтирате веднага гнездата до оборудването, а не след това да ги разтягате през цялото помещение.

Ако вашата сграда принадлежи на типична, която е издигната от строителна компания (тъй като сега те изграждат цели вилни селища), тогава трябва да ви бъде предоставен проект за изграждане и схема на окабеляване. В случай, че строителството се извършва независимо, за всяка къща те разработват своя лична схема. Но и в двете версии основните цели на схемата са еднакви:
- Ако имате готов схематичен чертеж, можете да направите списък с материали, които ще са необходими за завършване на окабеляването в къщата. Това ще ви помогне да спестите пари. Тоест, като имате списък в ръка, можете да преминете през различни търговски обекти, спокойно да решите, да изберете най-висококачествените и най-подходящите електрически стоки за цената. Няма да купите нищо излишно и в същото време да се спестите от ситуацията, когато инсталацията вече е извършена, но някои материали не са достатъчни и бързате да стигнете до първия магазин, в който попадате, за да ги закупите на всяка цена.
- Схемата на свързване ще позволи да се определи максималното натоварване на всеки електрически блок, което ще ви позволи правилно да изберете напречното сечение на проводниците, да изчислите общата мощност, да изберете необходимите защитни устройства и входящия кабел.
- Също така схемата ще ви помогне компетентно и рационално да планирате последователността на работата.
канцеларска работа
Бъдете подготвени за факта, че електрическото окабеляване в частна къща също ще ви изисква нерви, защото за да получите разрешение за извършване на работа, ще ви трябва:
- Свържете се с организацията, която има електропровода на баланса, от който се планира да свържете входа. Те трябва да издават технически спецификации (TU) за тази връзка.
- Следващият ще бъде организация или търговска фирма, която според издадените технически условия ще изготви проект.
- Отново организацията за електрозахранване ще трябва да се съгласи по проекта и да напише заявление за свързване (на главната линия това трябва да се направи от техните електротехници).
- Изработеният входен ред трябва да бъде тестван от специална електрическа лаборатория, след което се издава протокол, в който се посочва, че входът е преминал изпитването и е подходящ за работа.
- Сега въвеждащият кабел се подава в разпределителното табло и се свързва към входа на електромера, който трябва да бъде запечатан от представителите на захранването. След измервателния уред се направи самостоятелно окабеляване в къщата или можете да поканите специалисти, вече няма да се нуждаете от други организации.
- Последното нещо, което остава за вас, е да сключите споразумение с енергоснабдителната организация за доставка на електроенергия от тяхна страна и за своевременно плащане на изразходвани киловатчаси от ваша страна.
Въвеждане на график

Най-важната разлика между електротехник в апартамент и в частна къща е изпълнението на входа. В многоетажни сгради входът влиза в контролното помещение, а от там кабелът вече върви към апартаментите. И за частна къща е необходимо да се извърши наслояване от главната линия, минаваща наблизо. Надеждността, качеството и безопасността на захранването зависи от това колко компетентно и правилно го правите. Има два начина:
- Монтаж на вход за въздух с кабел или изолирана жица.
- Полагане на подземен кабелен вход.
Преди да поставите въвеждаща линия за частна къща, е много важно да помислите и да я планирате така, че да е устойчива на силни ветрове, а също и да не носи риск от токов удар за човек при дъждовно, снежно или влажно време.
Вход за въздух

Такова влизане през въздуха включва изтегляне на жица или кабел от най-близката опора на главния електропровод до жилищната конструкция.
Искам веднага да ви предупредя, че входът за въздух ще бъде рационален, ако разстоянието от опората до къщата е по-малко от 20 м. В случай, когато разстоянието е повече от 20 м, ще трябва да инсталирате друга допълнителна опора, която може да е на територията на вашия сайт. Тази мярка е необходима, за да се намали механичното напрежение върху жицата. Когато размахът е много голям, има вероятност жицата да се счупи под въздействието на силни ветрове или под собственото си тегло.
Как да направите правилно вход за въздух?
- Необходимо е да се пробие дупка в стената на сградата и да се постави парче метална тръба или специална пластмасова гофриране в нея (диаметърът на отвора и тръбата ще зависи от секцията на входящия проводник).
- На стената извън къщата се фиксира скоба с монтиран на нея изолатор.
- Сега е необходимо да се опъне стоманеният кабел между двата изолатора (единият на скобата, вторият - върху ходовата част на опората, от която са направени клоните).
- Входящият проводник или полюс кабел е свързан към линейните проводници. След това се полага по кабела към къщата, където се издърпва през дупката, направена в сградата. На всеки 0,5-0,6 м е препоръчително телта да се фиксира към опънатия стоманен кабел с пластмасови или метални скоби.

Това е всичко, въвеждащият кабел е влязъл в сградата, където ще бъде подаден в разпределителното табло. Както можете да видите, нищо сложно, но някои нюанси трябва да се вземат предвид тук:
- Много е важно да се гарантира, че има достатъчно напрежение на стоманения кабел.
- Проводникът трябва да бъде прикрепен към кабела свободно, без напрежение.
- Разстоянието от земята до жицата не трябва да бъде по-малко от 3,5 m.
- Кабелът и свързаният към него проводник по цялата дължина не трябва да докосват спомагателни сгради, дървета или високи храсти.
- Мястото, където жицата влиза директно в къщата, трябва да бъде запечатано. След като се изтегли в тръбата, цялото останало пространство трябва да бъде запълнено с полиуретанова пяна.Можете също така да използвате друга опция - да я уплътните плътно с минерална вата, направена от негорим материал.
Най-добрият вариант за навлизане на въздух в къща е самоносеща изолирана жица (самоносеща изолирана жица). Първо, изолацията му е направена от материали, които са подходящи за работа в условия на слънчева светлина и валежи, а също така издържат на значителни температурни колебания. На второ място, под изолационния слой, в допълнение към алуминиевите проводници, има стоманен кабел. Тоест, когато инсталирате такъв проводник, няма нужда да опъвате отделен носещ кабел.
Ако за частно жилищно строителство е необходимо еднофазно напрежение (220 V), тогава е необходим двужилен проводник. В случай, че е необходимо трифазно напрежение (380 V), е необходим четирижилен проводник. Минималното напречно сечение на SIP проводниците е 16 mm2.
Как се извършва инсталирането на въздушния вход на електричество, можете да видите в това видео:
Подземен вход

Полагането на входящия кабел в земята има редица предимства пред въздушния метод:
- Надеждността се увеличава поради факта, че кабелът не е изложен на резки температурни промени, атмосферни валежи, силни ветрове.
- Стилът и архитектурният дизайн на сайта имат завършен вид, тоест те не се развалят от опънат кабел с фиксирана жица или допълнителна опора. По правило именно поради тази причина всички луксозни къщи и селски къщи имат подземна връзка.
- Ако това е селска къща, в която хората живеят само през лятото, а през зимата жилищната конструкция е празна, има вероятност хулигани или вандали да изрежат и да откраднат входа на въздуха. Това е малко вероятно да се случи в подземни инсталации.
- В случай на късо съединение и поява на електрическа дъга на подземния вход, практически няма вероятност имуществото и хората да бъдат повредени. А с вход за въздух пожар, който е възникнал, може да се разпространи в сгради. Така че високата пожарна безопасност при полагане на кабели в земята е много важно предимство, особено за къщи, изработени от дърво.
Но не всичко е перфектно, почвата също е доста агресивна. Химичният състав на почвата с течение на времето може да причини корозивни процеси, което ще направи обвивката на кабела неизползваема. В този случай самата почва може да провисва и набъбва, да се движи и замръзва. Подземните води, гризачите и микроорганизмите, както и натискът от корените на големите дървета също ще окажат влияние. Ето защо, ако решите да донесете електричество в къщата по подземен метод, погрижете се да защитите кабела, да го положите в пластмасова или метална тръба.

Е, основният недостатък на подземния вход е изкопаването. Първо, те трябва да бъдат координирани с куп от всякакви организации, в които може да има нещо, положено в тази земя - вода, газ или канализация; отоплителни мрежи; тръбопроводи за електропроводи; телефонни комуникационни линии. На второ място, за да положите кабела в земята, ще трябва да изкопаете окоп, а това е допълнителен (и приличен) разход. Ако го направите сами, ще ви отнеме много време и усилия. В случай, че ще наемете някого, който да извършва земни работи, харчете пари от гледна точка на пари.
За да разберете по-добре обхвата на работата, препоръчваме да гледате следното видео:
Така че преди да направите електрическото окабеляване в къщата, първо претеглете плюсовете и минусите, вземете предвид предимствата и недостатъците, изберете най-подходящия вариант за извършване на входа. И когато приключите с външното захранване, можете спокойно да продължите с инсталирането на вътрешното.
Изчисляване на натоварването

Направете самостоятелно инсталиране на електрическо окабеляване в частна къща изисква предварителна работа с глава, тоест умствена работа, а именно, трябва да изчислите какъв товар ще има електрическата мрежа на дома ви.За да ви е по-лесно, разделете всички потребители на електроенергия на групи:
- Осветителни елементи.
- Кухненски уреди (хладилник, аспиратор, машина за хляб, електрическа печка и фурна, електрическа кана и кафемашина, мултикотъл и микровълнова фурна и др.).
- Битови уреди с ниска мощност и електрически уреди (компютър, телевизор, стерео и др.).
- Климатици.
- Електрическо отопление.
- Оборудване за баня (бойлер, сешоар и пералня).
- Електрически инструменти, използвани в помощни помещения (ударна тренировка, електрическа бормашина, електрическа косачка, помпа и др.).
Добавете правомощията на всички устройства. Коригирайте получената цифра, като умножете по 0,7 (това е общоприетият коефициент на едновременност на включване на устройства). Моля, обърнете внимание, че мощността на всяка група не трябва да надвишава 4,5 kW. Въз основа на изчисленото натоварване вземете решение за напречното сечение и марката на проводниците. Окабеляването в частна къща се извършва с медни проводници. За скрито полагане изберете марки VVGng, PUNP, VVG, за открито полагане - PUGVP, PUGNP. Окабеляването, направено в частна къща с такива проводници, ще има приличен експлоатационен живот (около 10 години), минимални загуби и безопасна работа.
Табло за разпределение

Нормативното място, където може да бъде инсталиран щитът, не е стандартизирано по никакъв начин. Единственото условие е тя да бъде разположена най-малко на 1 м от тръбопроводите (което означава всякакви тръби - газ, вода, канализация).
В коя стая е по-добре да монтирате щита също не е посочено никъде. Много хора предпочитат да го инсталират в някои помощни помещения, където ще бъде удобно да се извърши превключване или разположени на входа на къщата. Във всеки случай се опитайте да следвате прости правила:
- Това помещение не трябва да е опасно от пожар (като котелно). Не съхранявайте газови бутилки и запалими вещества в близост до разпределителното табло.
- Необходимо е помещението, в което се намира клапата, да е сухо, тоест е нежелателно да го инсталирате до банята.
- Трябва да има свободен достъп до таблото, не подреждайте склад от помещението, в което се намира.

Самият панел съдържа:
- електромер;
- въвеждаща машина, тя отговаря за захранването на цялата къща;
- няколко машини за свързване на изходящи пантографи според тяхното разбиване на групи;
- устройство за остатъчен ток (RCD), което работи в тандем с въвеждаща машина.
Щитът може да бъде монтиран в ниша, специално направена за него, или просто окачен на повърхността на стената.
Ако къщата е огромна на няколко етажа с бани, сауни, гаражи, тогава един щит не е достатъчен. В такива случаи на всеки етаж се монтират по един въвеждащ панел и допълнителни.
Планиране на вътрешно захранване
Има два начина за извършване на електрическо окабеляване в частна къща - отворена и скрита. Нека разгледаме накратко всеки от тях поотделно.
Отворено окабеляване

Откритият метод за полагане на проводници се нарича още на открито и най-често се използва в дървени къщи.
Проводниците могат да бъдат положени:
- в специални пластмасови кутии;
- върху порцеланови изолатори с помощта на специален кабел (така наречения ретро стил).
Диаграмата трябва да показва по кой маршрут ще прокарате кабелите и да маркирате местата, където ще бъдат монтирани фиксиращите елементи (изолатори).
За открито окабеляване се използват специални устройства за превключване на открито (контакти, превключватели).
Скрито окабеляване

Ако конструкцията е бетонна, с много технологични празнини, се използва скрит метод за полагане на проводници. По-трудно е, тъй като първо трябва да направите специални канали в стените, наречени жлебове, в които ще бъде положена жицата или кабелът.И след това положените проводници все още ще трябва да бъдат фиксирани с алабастър или шпакловъчен разтвор.
Ще ви трябват и вътрешни превключватели и контакти. Преди да ги инсталирате, в стените се правят дупки, кутиите за гнезда също се фиксират в тях с помощта на решение и едва след това се монтират превключващите устройства.
Скритото окабеляване със собствените си ръце е лесно, единственото нещо, което може да създаде трудности, отнеме много време и усилия, е правенето на строб и дупки.
Правила и съвети

Всичко, свързано с електрическата работа, се регулира от Кодекса на правилата за електрическа инсталация (PUE). За тези, които сериозно се занимават с инсталирането на електрически проводници, е полезно да се запознаете с тази книга през свободното си време. Тук ще дадем най-основните и важни точки, които трябва да се вземат предвид, преди да направите окабеляването в къщата със собствените си ръце:
- Всички разклонителни кутии, контакти и ключове трябва да бъдат лесно достъпни (не покрити с тапети, не скрити под гипсокартонните листове, не са натъпкани с обемни мебели, които не могат да бъдат преместени).
- Заземяващият проводник трябва да бъде закрепен с болтове към уредите.
- Превключвателите са монтирани на височина 60-150 см от нивото на пода, проводниците се довеждат до тях отгоре надолу.
- Всички кабелни връзки трябва да бъдат направени в разклонителни кутии. Свързващите възли трябва да бъдат надеждно изолирани, забранено е свързването на медни проводници с алуминиеви.
- Гнездата се монтират на височина 50-80 см от нивото на пода. Разстоянието между контакти и газови печки, тръби, отоплителни радиатори не трябва да бъде по-малко от 50 cm.
- Проводниците на електрическото окабеляване не трябва да докосват металните строителни конструкции на сградата (особено за скрито окабеляване, не забравяйте да вземете предвид тази точка, когато полагате проводници в каналите).
- Броят на изводите в една стая се взема предвид със скорост 1 превключващо устройство на 6 m2 ■ площ. Изключението е кухнята, на нея можете да монтирате толкова контакти, колкото е необходимо, за да свържете всички домакински уреди.
- Хоризонталното полагане на проводници се извършва не по-близо от 15 см до тавана и пода. Проводниците се поставят вертикално на разстояние 10 см от отворите на вратите и прозорците. Проводниците на електрическата мрежа не трябва да се доближават до газови тръби по-близо от 40 cm.
Надяваме се, че целият този разговор не беше напразен. Определено ще започнете инсталирането на външно и вътрешно захранване на вашия дом, като съставите схема. Помислете с цялото семейство къде и какво оборудване искате да поставите, поставете всичко на хартия, начертайте всички превключващи устройства и маршрути за окабеляване. Това ще улесни значително изчисляването на необходимото количество материали. Тогава остава само да прехвърлите схемата си от хартия в реални стени и да извършите инсталационната работа.
