Фазов мониторинг - цел, принцип на работа и схема на свързване

Има много различни устройства, които по време на работа често трябва да бъдат преместени от едно място на друго, всеки път като ги свързват към трифазна мрежа. Не е рядкост неопитен работник да наруши последователността на фазите при свързване на оборудване, което може да доведе до повреда на оборудването. За да се предотврати това, е необходимо да се осигури фазов контрол чрез инсталиране на специално защитно устройство. В този материал ще говорим за това какво е реле за управление на фазата, каква е неговата схема на свързване и ще разгледаме принципа на работа на това устройство.
Предназначение и принцип на работа на релето за управление на фазата
Релета за наблюдение на фазовото напрежение трябва да бъдат включени в инструменталните вериги, които често трябва да се свързват отново с трифазна захранваща мрежа. Например, винтов компресор, който не е стационарен апарат, непрекъснато се премества от едно място на друго, всеки път го свързва отново с линията. Ако извършите неправилно стъпките за свързването му, обърквайки фазите, пет секунди след стартирането на оборудването ще бъдат достатъчни за сериозна повреда.

Ремонтът на оборудването е свързан със значителни разходи, поради което при такива устройства фазовото управление на напрежението е просто необходимо.
Има и други устройства, които не изгарят, ако проводниците са свързани неправилно, но просто не се включват. В този случай работниците обикновено стигат до извода, че устройството е счупено, започват да го проверяват - и приемствеността показва, че всичко е в ред. И е добре, ако разбирането, че фазовите проводници са просто смесени, когато са свързани, идва бързо, в противен случай работното време ще се губи.
Какво представлява релето за напрежение и как е конфигурирано - в следното видео:
Сега нека поговорим за това как работи релето за мониторинг. Основната задача на устройството е да предпазва електрическите устройства от повреди в резултат на излагане на нискокачествено напрежение. Това е много важно за скъпото оборудване, затова внесените електрически уреди се инсталират само заедно с контролно реле. Той защитава оборудването в случай на повреда във фаза, неправилно свързване, както и асиметрично напрежение.
Когато фазите съвпадат с параметрите на устройството за управление, контактите на релето се включват, предавайки трифазно напрежение през контактора във веригата. Ако няма ток на поне един фазов проводник, напрежението няма да бъде предадено в линията
След възстановяване на мощността върху фазовия проводник, след няколко секунди, натоварването автоматично ще се включи. Така че, както можете да видите, релето осъществява автоматично управление, изключва захранването с напрежение в случай на аварийна ситуация и включва натоварването, след като параметрите на електрическата верига се нормализират.
Процедура за свързване на реле
Много е важно устройството за управление да бъде включено в схемата на всяко мобилно устройство, което включва трифазен електродвигател. Ако такова реле не е включено в оборудването, грешната последователност на фазите може да доведе до сериозни последици - от неизправност на устройството до неговата повреда.
Ясно за връзката във видеото:
Ако поне един фазов кабел се счупи, захранващият блок ще се прегрее бързо и устройството ще стане неизползваемо за няколко секунди. За да се предотврати това, на контактора често се инсталира термично реле вместо контролно реле. Но проблемът е как да го изберете правилно и да го настроите според номиналния ток. Това изисква специална стойка, която не всеки има. Следователно инсталирането на устройство за фазово управление е по-лесен начин за решаване на проблема.

Принципът на работа на RK се основава на факта, че устройството открива хармоници с отрицателна последователност, които се появяват в случай на фазов дисбаланс или при прекъсване на токопроводите. Аналоговите филтри на устройството за управление ги изолират и изпращат сигнал към контролното табло, което след получаването му включва контактите на релето.
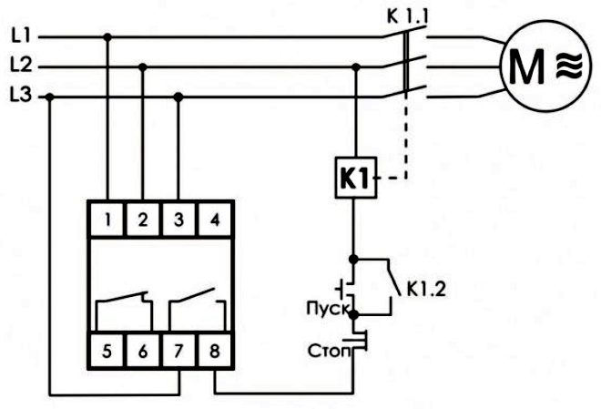
Схемата за свързване на релето за фазово управление не се различава по сложност. И трите фазови проводника и неутрален кабел трябва да бъдат свързани към съответните клеми на устройството, а контактите му трябва да бъдат поставени в празнината на магнитния електромагнитен стартер. Ако устройството работи нормално, контакторът е включен, контактите на релето са затворени и оборудването се захранва.
В случай на неизправност контактите на устройството за управление се отварят и захранването се прекъсва, докато мрежовите параметри не бъдат възстановени.
Най-често фабричните релета се използват за защита на домакински уреди, които се предлагат в търговската мрежа. Но понякога се правят на ръка. Ето една диаграма на обикновено домашно устройство, което има графични обозначения на елементите, включени в схемата.

заключение
В тази статия говорихме за това какво е реле за управление на фазата, за какво е и как работи. В индустриална среда защитава компресори, двигатели и други агрегати. В ежедневието те най-често се използват за защита на перални и хладилници.
